ARREDO BAGNO
RUBINETTERIA
MINUTERIA IDRAULICA
VALVOLE A SFERA
RACCORDERIE
TUBI E RACCORDI DI SCARICO
TUBI E RACCORDI RAME & MULTISTRATO
VALVOLE E DETENTORI
RISCALDAMENTO
REGOLATORI GAS
PRODOTTI CHIMICI
GIARDINAGGIO
ELETTROPOMPE E ACCESSORI
TRATTAMENTO ACQUE
ELEMENTI DI FISSAGGIO
ACCESSORI PER CUCINA E LAVANDERIA
ACCESSORI PER DISABILI
SCALDABAGNI ELETTRICI E BOLLITORI
SANITARI IN CERAMICA
PANNELLI SOLARI
TRITURATORI
PROMOZIONALI
CONDIZIONAMENTO
ELEMENTI RADIANTI
UTENSILERIA
Supporto Clienti
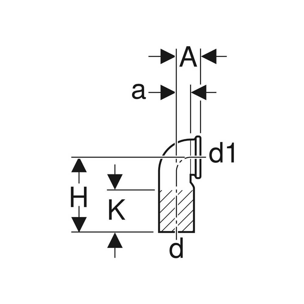
A20 - ARREDO BAGNO / PILETTE E SIFONI GEBERIT / 50314
Per moduli Combifix L= 41,3 cm. Con guarnizione in EPDM. Fornita completa di tappo di protezione.
Cod. | Articolo | UM | Pref. | MV | CF | Giacenza | € | TOT € | Aggiungi |
---|---|---|---|---|---|---|---|---|---|
5031402 | CURVA DI SCARICO WC 90° PROLUNGATA PER WC SOSPESO Ø90 mm 241.899.00.1
![]() |
PZ | 1 | 1 |
Si
99
No
No
No